產品類別:振動篩分機
石英砂振動篩分機簡稱石英砂篩分機,在石英砂行業應用廣泛,該設備根據外形結構也叫圓形振動篩分機,常見的石英砂振動篩分機型號是直徑1200mm,直徑1500mm。石英砂振動篩分機廠家大漢機械可以根據客戶的需求特殊定做型號
免費獲取報價
全國統一銷售熱線

石英砂振動篩分機簡稱 石英砂篩分機,在石英砂行業應用廣泛,該設備根據外形結構也叫圓形振動篩分機,常見的石英砂振動篩分機型號是直徑1200mm,直徑1500mm。石英砂振動篩分機廠家大漢機械可以根據客戶的需求特殊定做型號。大漢石英砂振動篩分機系列產品同時配備專門的篩網清理裝置,把堵網率降到低,過網率和處理精度得以有效提高。

石英砂振動篩分機主要用于石英砂的分級和除雜,粒度范圍為1-0.5mm、0.5-0.1mm、0.1-0.01mm、0.01-0.005mm。

篩分(分級):可將石英砂篩分成2-6種不同粗細規格,分級率可達96%。
除雜:可將石英砂中的不合格物料或異物篩除,除雜率可達98%

可篩分500目內石英砂的篩分和除雜。
添加彈跳球清網裝置,篩網不堵塞,透網率達98%。
有1-5層篩網,可將石英砂篩分成2-6種規格。
全密封結構,篩分時粉末不飛揚。
石英砂振動篩分機可用于石英砂顆粒和粉末的篩分和除雜,可處理石英砂,石英粉,石英石,硅砂,機制砂,人造砂,莫來砂等。


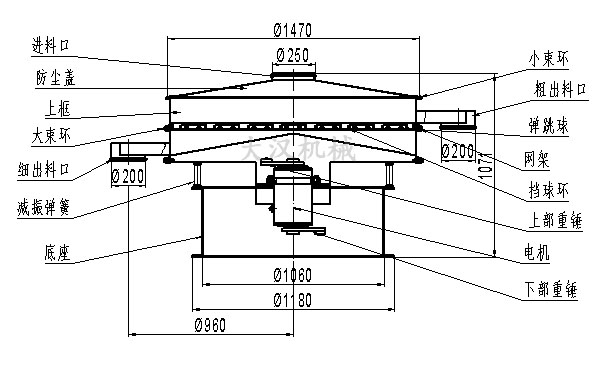
由直立式振動電機作為激振源,電機上、下兩端安裝有偏心重錘,將電機的旋轉運動轉變為水平、垂直、傾斜的三次元運動,再把這個運動傳遞給篩面進行篩分。調節上、下兩端的相位角,可以改變物料在篩面上的運動軌跡。

| 型 號 | DH-600 | DH-800 | DH-1000 | DH-1200 | DH-1500 | DH-1800 | DH-2000 |
| 直徑mm | Φ600 | Φ800 | Φ1000 | Φ1200 | Φ1500 | Φ1800 | Φ2000 |
| 篩網面積m | 0.24 | 0.45 | 0.67 | 1.0 | 1.6 | 2.43 | 3.01 |
| 篩網規格(目) | 2-500 | ||||||
| 進料粒度mm | <Φ10 | <Φ15 | <Φ20 | <Φ30 | |||
| 振次rpm | 1500 | 1500 | 1500 | 1500 | 1500 | 1500 | 1500 |
| 有效篩面直mm | Φ560 | Φ760 | Φ930 | Φ1130 | Φ1430 | Φ1760 | Φ1960 |
| 層數 | 1-5 | ||||||
| 功率Kw | 0.25 | 0.55 | 0.75 | 1.1 | 1.5 | 2.2 | 3 |




⑴設備應有穩定的基礎。當設備安裝于一般地面或水泥基礎上時,可以不設置地腳螺栓。當設備安裝于鋼結構架臺之上時,應用螺栓緊固于結構體上,而且鋼結構架臺應有一定的鋼度。本機只需三相開關一只(備注:好使用電氣控制盤),用蛇皮管穿線,將電機接至電源即可,注意電氣控制盤應懸掛安裝于墻上。 ⑵設備出廠前已將篩網裝妥,使用過程中的篩網更換可自己更換。
⑶開機前,應先檢查各壓緊螺栓的緊固程度,及各料口的位置是否與接料器對正,并觀察振動電機是否能正常轉動及彈簧受力有無阻礙,檢查各層篩網是否壓緊。
⑷當旋振篩接入電氣控制盤之前,應首先對電氣控制盤進行檢查。線路接通后觀察振動電機旋轉方向是否是順時針方向, (備注:否則應改變相序)運轉是否正常,有無異噪聲。
⑸調節振動電機上下偏心塊的相位角,以適應各種物料篩分情況。

Copyright ©right 2007-2024 新鄉市大漢振動機械有限公司 All Rights Reserved 版權所有
備案號:豫ICP備09002479號-7

